Simplex-Kegelradkette Typ B nach ISO-Norm

Diese Konstruktion nutzt eine konische Nabe und eine entsprechende konische Bohrung, wodurch das Kettenrad mit konischen Sicherungsbuchsen sicher auf der Welle befestigt werden kann, ohne dass ein Spiel entsteht.
Modell: Typ B 20B-1 Kegelrad mit Kegelverbindung
Material: C45, Edelstahl, gehärteter Stahl usw.
Oberflächenbehandlung: Zahnverzahnung gehärtet, schwarz oxidiert, verzinkt, Elektrophorese usw.

Beschreibung

20B-1 Kegelverriegelungsbuchse-Kettenradwurde für hohe Leistung und Langlebigkeit in Kraftübertragungssystemen entwickelt. Die konische Sicherungsbuchse sorgt für einen mechanischen Presssitz zwischen Kettenradnabe und Welle, was zu einer starken und zuverlässigen Verbindung führt.

Wichtige Merkmale

  • Mechanische Presspassung:Gewährleistet eine sichere Verbindung für eine reibungslose und effiziente Kraftübertragung.
  • Effizienter Betrieb:Reduziert Energieverluste und verbessert die Gesamteffizienz des Systems.
  • Verlängerte Lebensdauer:Die langlebige Konstruktion minimiert den Wartungs- und Austauschbedarf und senkt so Ausfallzeiten und Kosten.
  • Präzise Zahnform:Garantiert einen optimalen Ketteneingriff, reduziert Reibung und Geräusche und sorgt so für einen reibungsloseren Betrieb.
  • Hochwertige Materialien:
    • C45-Stahl:Bietet ein ausgewogenes Verhältnis zwischen Festigkeit und Wirtschaftlichkeit.
    • Edelstahl:Bietet hervorragende Korrosionsbeständigkeit für raue Umgebungen.
    • Gehärtzter Stahl:Wärmebehandelt für erhöhte Verschleißfestigkeit und lange Lebensdauer.

Technische Spezifikationen

  • ISO-Nr.:20B-1 (1 1/4″ x 3/4″)
  • Steigung:31,75 mm
  • Innenbreite:19,56 mm
  • Rollendurchmesser:19,05 mm
  • Zahnbreite:18,5 mm
  • Ba:3,5 mm (Radiusbreite)
  • Rx:32 mm (min. Zahnradius)

Vorteile

  • Starke, zuverlässige Verbindung für Hochleistungssysteme
  • Reduzierte Reibung, Geräuschentwicklung und Wartungskosten
  • Vielseitige Materialauswahl für verschiedene Umgebungen
  • Verlängert die Lebensdauer von Kettenrädern und Ketten

Entscheiden Sie sich für das konische Sicherungsbuchsenkettenrad 20B-1, wenn Sie höchste Haltbarkeit, Effizienz und Zuverlässigkeit für Ihre Kraftübertragungsanwendungen benötigen.

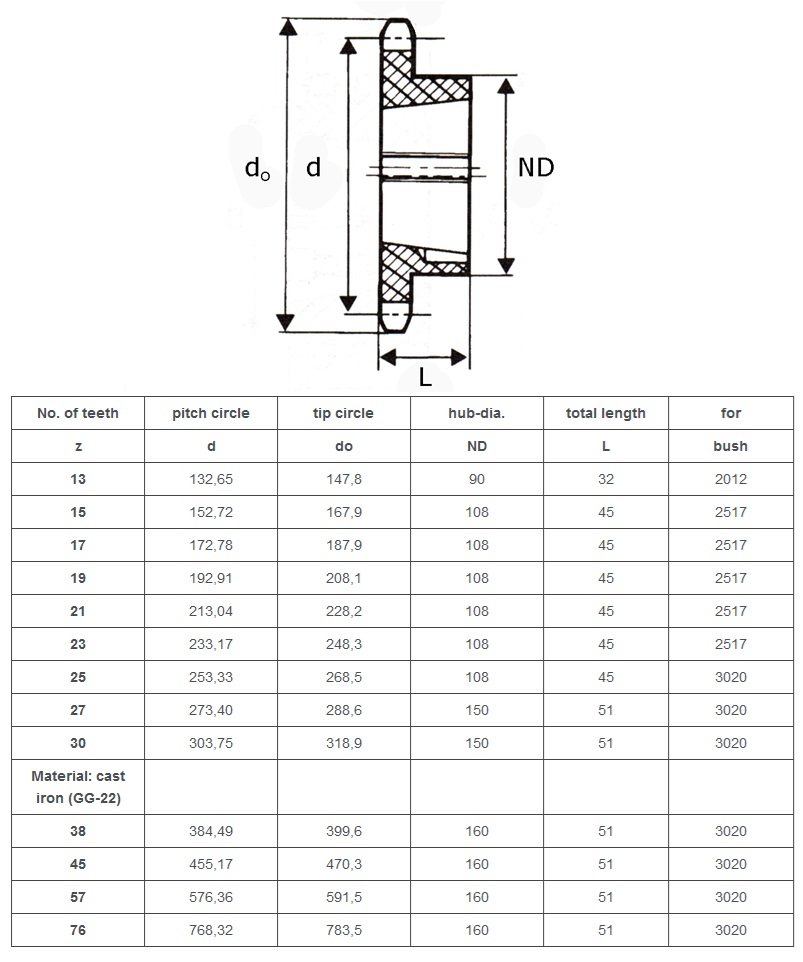
Technische Parameter

Simplex-Kegelrad 20B-1 Technische Tabelle

Simplex-Kegelradkranz 20B-1 – Technische Tabelle